Как спрятать счетчик в прихожей. Как закрыть счетчик. Замаскированный электрический щиток в прихожей: пошаговые инструкции, как скрыть электрощиток. Как чаще всего маскируют электрощиток
- Как спрятать счетчик в прихожей. Как закрыть счетчик. Замаскированный электрический щиток в прихожей: пошаговые инструкции, как скрыть электрощиток. Как чаще всего маскируют электрощиток
- Ключница на электрощиток.
- Ключница на щиток. Два типа ключниц, которые я делаю
- Квартирный щиток в шкафу. Можно ли ставить электрощит в гардеробе?
- Электрощит в интерьере. Схема сборки и подключения
- Электрощит в шкафу купе. Элементы электрощита
- Видео куда спрятать электрощиток в прихожей и зачем нужен карточный выклчатель
Как спрятать счетчик в прихожей. Как закрыть счетчик. Замаскированный электрический щиток в прихожей: пошаговые инструкции, как скрыть электрощиток. Как чаще всего маскируют электрощиток
Как замаскировать счетчик в прихожейЕсли в дизайне любого помещения в квартире вас не устраивают какие-либо детали или мелочи, то при необходимости и возможности их лучше замаскировать. Если счетчик в прихожей портит общую картину, то скройте его от посторонних глаз.
Предлагаю несколько способов "убрать с глаз" электрический счетчик:
- Зеркало. Это самый распространенный способ. Зеркало просто закрывает собой счетчик. Красиво смотрится зеркальное полотно в необычной раме. На распашную створку можно прикрепить раздвижное зеркало. Главное - правильно подобрать дизайн и габариты зеркала, чтобы не испортить интерьер прихожей и не занять много места.
- Картина или фоторамка. Не только замаскирует счетчик, но и прекрасно разнообразит декор. Раму также можно присоединить к распашной створке.
- Мебель. Гармонично будет смотреться материал, который использовали для мебели. Дерево, ламинат или шпон такого же цвета как и прихожая будут восприниматься как неотъемлемая часть интерьера. Счетчик можно "заключить" и в саму мебель.
- Отделка дверцы. Подходит, если счетчик внутри небольшой полки. Подойдет такая же штукатурка или обои как в прихожей. Счетчик не будет выделятся. Красиво смотрится в отделке дверцы камень, он подойдет под любой интерьер.
- Витражное стекло. Красивый и оригинальный вариант. Интересно смотрится с подсветкой.
- Счетчик в стене. Его легче организовать в процессе ремонта. Гипсокартон - идеальный материал для данного варианта. Таким же способом легко скрыть и все провода. Можно создать любой дизайн.
Ключница на электрощиток.
Проблема сбора и установки электрического щитка возникает, как правило, в случаях, когда на последнем этапе частного строительства рабочий становится перед процедурой электрификации объекта. Осуществление проводки – не сложный, но опасный и ответственный процесс, и последним его пунктом является как раз установка щитка. В дальнейшем пойдёт речь о том, как правильно собрать электрический щиток , и данный материал будет выстроен в виде инструкции по установке. Итак, приступают к конструированию щитка в том случае, когда основная часть работки по прокладке кабеля в помещениях закончена. Первое, с чем столкнётся установщик, это выбор – что будет являть собой щиток. Либо это будет купленный готовый, либо будет собран самостоятельно. Во втором случае должны быть приобретены материалы для сборки щитка в специализированном магазине, то есть корпус и планки, на которые крепятся выключатели, и, конечно, сами выключатели. Нужно иметь в виду, что существует два типа щитков – устаревший тип, где предохранители или так называемые пробки можно было выкручивать, и – современный тип. Конечно, настоятельно рекомендуется не обращаться к устаревшей версии, так как новая превосходит её по всем параметрам качества и безопасности. Современные устройства, регулирующие подачу электроэнергии называются пакетными выключателями или «пакетниками». Количество данных выключателей в щитке должно точно соответствовать количеству подводимых к щитку электрических цепей. Это главный аспект в понимании того, как собрать электрический щиток. Слева крепится центральный, главный выключатель, действующий сразу на все цепи. Имеет другой цвет. Рекомендуется добавить в щиток помимо основных 2-3 запасных пакетника, ведь возможность возникновения в доме дополнительной сети весьма высока. Нужно чётко знать, что приборы имеющие мощность более 5 кВт должны иметь свой собственный предохранитель. К примеру – водонагревательные котлы. Выключаются современные предохранители автоматически, а включаются уже вручную по аналогии с автоматическими пробками. Единственный недостаток пакетников – не подлежат починке. Итак, пакетники крепятся на специальную планку – вроде всё просто, но нужно не забыть очень важный момент – установка пластины заземления. Приобрести её можно также в любом специализированном магазине. Установка её происходит после установки всей серии необходимого количества пакетников. Именно от этой пластины будут отходить провода заземления к заземляющему средству. Схему заземления необходимо разработать до начала монтажа щитка. Необходим специальный кожух, куда будет устанавливается щиток, обычно выдалбливается прямоугольное отверстие рассчитанной глубины на уровне лица. После установки щитка в кожух начинается подключение кабелей. Необходимо чёткое представление о схемах электрического тока и данную работу лучше доверить профессиональному электрику. И, как подсказывает практика, подробный разбор того, как собрать электрический однофазный или трёхфазный щиток, лучше всего посмотреть на Настоятельно рекомендуем вызвать электриков-профессионалов, если вы не уверены в своих силах! Ведь работа с электрикой опасна для здоровья и жизни! Предлагаем вам ознакомиться с различными схемами электрического щитка.Ключница на электрощиток
Инструкция по сборке щитка





Схема электрического щитка



Ключница на щиток. Два типа ключниц, которые я делаю
1. Ключница на электрощиток , которая является полностью моей авторской разработкой. Конструкция такой ключницы позволяет решить сразу три задачи:
- Эстетическая. Ключница полностью скрывает не очень привлекательную крышку электрического щитка. Изготавливается по размерам щитка заказчика.
- Удобное хранение ключей. Ключницы на щиток очень вместительные, Вы легко сможете разместить от 5 до 10 больших комплектов ключей. Вы перестанете терять ключи и тратить время на их поиски.
- Функциональная. Доступ к электрическому щитку, расположенному за ключницей, можно получить мгновенно, как только это потребуется. Ключницу для этого не надо снимать, она легко откидывается одним движением руки в сторону, при этом оставаясь на своем постоянном месте.
2. Настенная ключница . Она изготавливается в виде настенного шкафчика, который может быть разного дизайна, цвета и функционала.
Любая ключниц, представленная у меня в магазине в качестве примера (не важно, настенная она или на щиток), может быть изготовлена под заказ в любом варианте. Внешний вид ключницы не зависит от ее типа и определяется только эстетическими предпочтениями Заказчика.
Расскажу немного подробнее о ключницах на щиток, т.к. именно они являются уникальным продуктом, который можно заказать только в моей мастерской.
Клю
чницы для декора электрического щитка
В современных квартирах электрические предохранители собраны в одном месте. Как правило, это прихожая, где есть углубление в стене, куда подведены от общей магистрали электричество, телевидение и интернет. Дальше из этого углубления идет разводка по розеткам и выключателям. Обычно на финальной стадии ремонта это место закрывают рамкой с дверцей (металлической или пластмассовой) и забывают о нем до тех пор, пока не произошло короткое замыкание или не захотелось повесить новую люстру. Чаще всего дизайн этой рамки обладает столь ярко выраженной незатейливостью, что в конце концов она начинает мозолить глаза хозяевам. Задекорировать щиток можно не только помощи при ключницы, есть и другие варианты, но о них я расскажу позднее - в одной из следующих статей.
Самое главное для Вас, уважаемые Заказчики, что ключница делается строго под размер Вашего электрического щитка. За счет этого я максимально экономлю пространство прихожей, которое, как правило, и так не слишком велико. Ключница может быть довольно габаритной по высоте и ширине (как собственно и щиток у Вас в прихожей). Например, самая большая из сделанных на данный момент ключниц имела высоту 80 см., ширину 47 см., и при этом глубина отделения для ключей была всего 7 см., а карнизы выступали от стены на 9 см. Она закрывает сразу два щитка и располагается в узкой прихожей, где каждый сантиметр на счету.
На фото 1 представлен механизм ключницы, который позволяет получить доступ к щитку. Электрический щиток – один из важнейших жизнеобеспечивающих центров в квартире и удобство доступа к нем играет важную роль. Я гарантирую, что сделанная мной ключница не помешает Вам легко и быстро получить доступ к щитку, как только Вам это потребуется.
Модели ключниц, которые я делаю
Какую бы ключницу Вы не пожелали у меня заказать – настенную или на щиток, любая из них может быть выполнена в четырех вариантах. Для простоты эти варианты я назвал моделями. Все модели имеют дверцу, т.е. основное отделение для ключей всегда закрытое. Все модели имеют верхний и нижний карниз – это стилистические элементы моих ключниц, которые не меняются.
I. Первая модель базовая. Отделение для ключей, ограниченное сверху и снизу ступенчатыми карнизами.
II. Вторая модель. К первой базовой модели сверху добавляется полочка с ограничителем (балюстрадой). Ее можно использовать для квитанций и т.п. мелочей.
III. Третья модель. К первой базовой модели добавляются две полочки с ограничителем – сверху и снизу от основного отделения. Нижняя полочка может быть использована под перчатки, кошельки, сотовый и т.п.
IV. Четвертая модель. К первой базовой модели сверху добавляется полочка с ограничителем (балюстрадой), а снизу добавляется ряд внешних крючков для зонтиков, поводков, барсеток, дамских сумочек и т.д.

Квартирный щиток в шкафу. Можно ли ставить электрощит в гардеробе?
Сегодня каждый дом напичкан электрической техникой. Стиральные машины, посудомойки, холодильники, телевизоры, компьютеры, кондиционеры – все это потребляет значительное количество электроэнергии. Чтобы грамотно распределить энергию и обеспечить безопасную работу приборов, необходим электрощит.

Щиток – это обычный пластмассовый или металлический коробок, внутри которого располагаются модули, выполняющие определенные функции. Электрощит может располагаться как внутри стены (внутренний), так и непосредственно на стене (наружный).
Щиток надо правильно собрать, то есть сделать разводку и соединить все провода. Доверить это лучше профессиональному электрику, так как от качества сборки будет зависеть безопасность жильцов дома. Когда щиток собран, встает вопрос, где его можно установить?

В частном доме его можно устанавливать на улице, только необходимо позаботиться о надежной защите от влаги и осадков. Но также можно поставить электрощит и внутри дома или квартиры. Располагаться он должен недалеко от входа – в коридоре или прихожей. При выборе места установки стоит учесть расстояние до ближайшей двери (не менее 15 см) и до пола (от 1,5 до 1,7 м). К щитку должен быть свободный доступ в случае необходимости. Рядом с газовыми трубами и горючими материалами щиток располагать нельзя. Также категорически запрещено устанавливать щиток внутри шкафов и мебели.

Гардероб – не место для электричества
Многих интересует, можно ли поставить прибор в гардеробной? Там он и от входа близко, и общий вид не портит, посторонним не виден. Прямого запрета на этот счет пока нет. Но, согласно правилам противопожарной безопасности, в кладовых и гардеробных запрещена установка розеток. Очевидно, из-за того, что место хранения большого количества одежды легко может стать причиной пожара. А, так как нельзя ставить розетки, то такой сложный прибор как щиток, со множеством проводов, тем более.

Электрики аргументируют запрет и тем, что в случае неисправности электропроводки или короткого замыкания в сети, первый удар примет на себя электрощиток. Если он будет располагаться в гардеробе с шубами и пальто, быстро отключить его не получится. Возникший пожар отрежет пути эвакуации из дома или квартиры. Страшен будет не сам огонь, а дым около выхода. Человеку достаточно будет вдохнуть один раз угарный газ, чтобы получить смертельное отравление.
Таким образом, устанавливать электрический щит в гардеробной нельзя в целях безопасности.
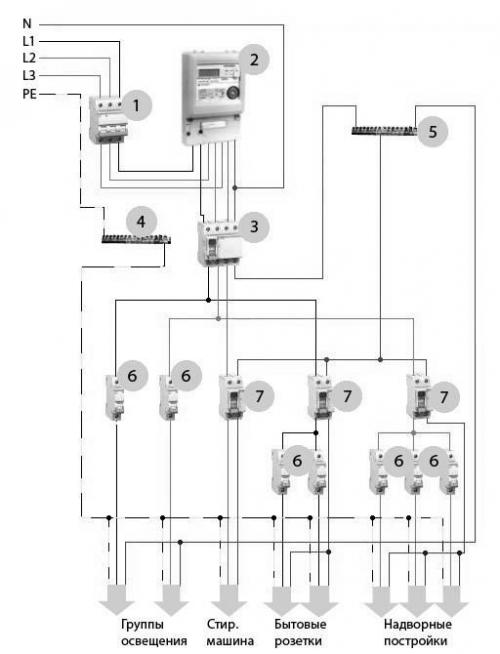
Электрощит в интерьере. Схема сборки и подключения
Для создания схемы электрического щита нужно определить тип системы электроснабжения в доме, разделить потребители электроэнергии на несколько групп, и на основании этих данных создать схему, используя ГОСТ 21.614 для графического обозначения всех элементов щита.
Тип системы электроснабжения может быть указан в щите на лестничной площадке, иначе это можно выяснить, обратившись в ЖЭК. Есть три типа системы, которые различаются способами электроснабжения и заземления: ТN-С, ТN-S, ТN-С-S .
ТN-С – старый тип энергоснабжения . проводка в квартире включает в себя двухжильный медный или алюминиевый кабель, кабель в щите совмещает ноль и землю.
ТN-S, ТN-С-S — это более современные системы снабжения . используют трёхжильный кабель для проводки в квартире и раздельный кабель для нуля и заземления в щите на этаже.
Затем следует разделить потребители электроэнергии на несколько групп. Например, можно разбить по группам точки подключения розеток в каждом отдельном помещении, выключатели, крупные потребители электрического тока вроде кондиционера или бойлера. Учитывая все эти характеристики, для каждой группы выбирается отдельный автомат .
После этого начинают рисовать схему электрощита. На ней указывают все элементы, используя графические обозначения по ГОСТ 21.614 . а также все потребители тока, которые к ним подключены.
Схема сборки и подключения электрощита в квартире:

Используя схему подключения, можно начинать монтаж электрощитка.
Электрощит в шкафу купе. Элементы электрощита
Обычный электрощиток для квартиры содержит не так много элементов, и собрать его может практически кто угодно. В состав электрощита входят:
- Вводной автоматический выключатель . Как правило, двойной, обесточивающий сразу два электрических кабеля – ноль и фазу. Мощность выбирается в зависимости от общей нагрузки потребления всех приборов в квартире.
- Устройство защитного отключения (УЗО) , дифференцированное реле. Обесточивает электропроводку буквально за миллисекунды после регистрации утечек напряжения, например, при замыкании нулевого провода на землю. Это не обязательный элемент электрощитка, тем не менее, стоит приобрести его для обеспечения электробезопасности.
- Дополнительные автоматические выключатели . Контролируют электроприборы большой мощности, такие как бойлеры, электрические плиты, кондиционеры, стиральные машины, а также электрические цепи в отдельных комнатах. Номинал выбирается в зависимости от мощности потребителя.
- Нулевая и заземляющая шины . Представляют собой медные полосы на диэлектрической основе, используемые для безопасного контакта заземляющих и рабочих нулевых проводов. Могут быть открытого и закрытого типа, предотвращающего касания.
- Корпус электрощита . Необходим для размещения оборудования, изготавливается из термостойкого пластика или металла. Могут быть навесными или встраиваемыми.Навесные корпуса легко установить, но они не всегда хорошо вписываются в интерьер квартиры. Встраиваемые требуют больше подготовки для монтажа, включая строительные работы, зато они практически не заметны.
- DIN-рейка . Представляет собой металлическую пластину, предназначенную для установки автоматов при помощи специальных креплений. Крепится к корпусу электрощита.
- Соединительные провода . Сечение выбирается в зависимости от характеристик электрооборудования.