Как настроить вентиляцию котельной для безопасной эксплуатации
- Как настроить вентиляцию котельной для безопасной эксплуатации
- Связанные вопросы и ответы
- Какие типы вентиляции подходят для котельной
- Как рассчитать необходимую мощность вентиляции для котельной
- Какие требования к вентиляции котельной по безопасности
- Какие общие ошибки при установке вентиляции в котельной
- Как проверить эффективность работы вентиляции
- Что делать, если вентиляция не работает эффективно
- Как обеспечить работу вентиляции при различных нагрузках
- Можно ли интегрировать вентиляцию котельной с общей вентиляцией дома
- Как минимизировать шум от вентиляции котельной
Как настроить вентиляцию котельной для безопасной эксплуатации
Для того чтобы вентиляция в котельной частного дома с газовым котлом была эффективной и безопасной, необходимо учесть множество факторов - от правильного расчета сечений воздуховодов до выбора места расположения приточных и вытяжных отверстий. Вот несколько практических советов, которые помогут снизить риски при эксплуатации газового оборудования:
- Сечение дымохода и приточных каналов рассчитывается исходя из мощности котла и объема котельной;
- Приточные отверстия располагают на высоте не более 0,5 м от пола, а вытяжные - под потолком;
- Приток организуется через наружную стену или из смежного помещения, но не из жилых комнат;
- Если котельная располагается в подвале, необходима установка принудительной вытяжной вентиляции;
- Дымоход должен иметь утепление по всей длине для предотвращения конденсации влаги;
- Запрещается использовать газовый котел при отсутствии тяги в дымоходе.
Соблюдение этих рекомендаций позволит создать оптимальные условия для работы газового котла и минимизировать риски, связанные с неполным сгоранием газа и накоплением продуктов сгорания в помещении котельной.
Роль приточной вентиляции и подачи кислорода в предотвращении аварийных ситуаций с газовым котлом
Не менее важным элементом вентиляции газовой котельной в частном доме является приточная система, обеспечивающая подачу свежего воздуха для горения. Без достаточного количества кислорода газ будет сгорать неполностью, с образованием угарного газа и копоти. Это не только снижает эффективность работы котла, но и создает реальную угрозу отравления продуктами неполного сгорания.
Существует несколько способов организации притока воздуха в котельную:
- Естественная вентиляция через приточные отверстия или каналы в стенах;
- Принудительная подача воздуха с помощью приточного вентилятора;
- Использование котла с закрытой камерой сгорания и коаксиальным дымоходом.
В большинстве случаев для котельных частных домов достаточно естественной приточной вентиляции. Главное - правильно рассчитать сечение приточных отверстий и каналов, чтобы обеспечить необходимый объем воздуха для горения газа. Ориентировочно, на 1 кВт мощности котла требуется 5-10 см² площади приточных отверстий.
Значение вытяжной системы для удаления продуктов сгорания и поддержания безопасности в котельной
Вытяжная вентиляция в котельной с газовым котлом выполняет две основные функции - удаление продуктов сгорания и поддержание безопасной концентрации угарного газа в помещении. Продукты сгорания газа включают в себя водяной пар, углекислый газ, оксиды азота и серы. При неполном сгорании образуется высокотоксичный угарный газ.
Скопление продуктов сгорания в котельной недопустимо, так как это может привести к удушью, отравлению и даже взрыву газовоздушной смеси. Поэтому вытяжка для газового котла должна обеспечивать быстрое и полное удаление продуктов сгорания за пределы помещения котельной.
Существует два основных типа вытяжных систем для газовых котлов:
- Естественная вытяжка - удаление продуктов сгорания за счет разности плотностей теплого и холодного воздуха. Работает без применения вентиляторов, но требует правильного расчета сечения дымохода и высоты его вертикального участка.
- Принудительная вытяжка - удаление дымовых газов с помощью вытяжного вентилятора, установленного в дымоходе или непосредственно на котле. Обеспечивает стабильную тягу независимо от погодных условий и конфигурации дымохода.
Выбор типа вытяжной системы зависит от мощности котла, этажности здания, конструкции дымохода и других факторов. В большинстве случаев для частных домов достаточно естественной вытяжки, но при установке котла в подвале или при большой протяженности горизонтального участка дымохода может потребоваться принудительная вентиляция.
Переходите, справа, в чат Вотсап или Телеграм и получите ответы наших инженеров. Время отклика 30 - 60 минут.
Связанные вопросы и ответы:
Вопрос 1: С чего начать при оборудовании вентиляции в котельной
Для начала оборудования вентиляции в котельной необходимо определить размеры помещения и мощность котлов. Это поможет рассчитать необходимую производительность системы вентиляции. Затем следует выбрать тип вентиляции — естественную или принудительную. Естественная вентиляция основана на разнице давлений воздуха, а принудительная требует установки вентиляторов. Также важно учесть требования безопасности, такие как удаление продуктов сгорания и подача свежего воздуха. После этого можно приступать к проектированию системы и подбору необходимого оборудования.
Вопрос 2: Как определить, что вентиляция в котельной неэффективна
Если вентиляция в котельной неэффективна, можно заметить несколько признаков. Во-первых, может возникать запах газа или дыма в помещении. Во-вторых, котлы могут работать с пониженной эффективностью или давать перебои в работе. В-третьих, на стенках и окнах может появляться конденсат, что указывает на избыточную влажность. Кроме того, если вентиляция не справляется с удалением продуктов сгорания, это может быть опасно для здоровья и безопасности. В таком случае необходимо провести проверку системы вентиляции и устранить выявленные недостатки.
Вопрос 3: Какие нормы вентиляции должны быть соблюдены в котельной
В котельной необходимо соблюдать нормы вентиляции, которые обеспечивают безопасное удаление продуктов сгорания и подачу свежего воздуха. Согласно строительным нормам, в котельной должно быть не менее двух вентиляционных каналов — один для притока воздуха, другой для вытяжки. Каналы должны выводиться на улицу, а не в другие помещения. Также важно, чтобы вентиляция работала с необходимой производительностью, которая рассчитывается исходя из мощности котлов и объема помещения. Нарушение этих норм может привести к опасным последствиям, таким как накопление угарного газа.
Вопрос 4: Как рассчитать необходимую производительность вентиляции для котельной
Для расчета необходимой производительности вентиляции для котельной необходимо учитывать несколько факторов. Во-первых, мощность котлов — чем она выше, тем больше воздуха требуется для сгорания. Во-вторых, объем помещения — производительность вентиляции должна обеспечивать несколько обменов воздуха в час. В-третьих, необходимо учитывать тип топлива — газ, уголь или другое. Также важен коэффициент запасности, который обычно составляет 10-20%. После расчета можно выбрать подходящее вентиляционное оборудование, которое обеспечит необходимую производительность.
Вопрос 5: Как устранить неисправности вентиляции в котельной
Для устранения неисправностей вентиляции в котельной необходимо сначала определить их причину. Если вентиляция не работает, проверьте наличие электропитания и целостность вентиляторов. Если вентиляция работает, но неэффективна, возможно, загрязнены воздуховоды или не хватает мощности. Также стоит проверить герметичность вентиляционных каналов — если они протекают, это может снижать эффективность вентиляции. В случае обнаружения неисправностей необходимо провести очистку или замену поврежденных элементов. После устранения неисправностей важно провести проверку системы на эффективность.
Вопрос 6: Как правильно провести монтаж вентиляции в котельной
Монтаж вентиляции в котельной должен проводиться в соответствии с проектом и строительными нормами. Сначала устанавливаются вентиляционные каналы, которые должны быть герметичными и выведены на улицу. Затем монтируются вентиляторы и другие элементы системы. Важно обеспечить правильное соединение всех элементов и проверить герметичность швов. После монтажа необходимо провести испытания системы на производительность и герметичность. Также важно предусмотреть возможность обслуживания и ремонта вентиляционной системы. Только после успешных испытаний можно считать монтаж завершенным.
Вопрос 7: Как организовать обслуживание вентиляции в котельной
Обслуживание вентиляции в котельной должно проводиться регулярно для обеспечения ее эффективности и безопасности. В первую очередь необходимо очищать воздуховоды и вентиляторы от пыли и загрязнений. Также важно проверять герметичность вентиляционных каналов и устранять возможные протечки. Необходимо контролировать работу вентиляторов и своевременно заменять изношенные или неисправные элементы. Кроме того, следует проводить периодические проверки системы на производительность и соответствие требованиям безопасности. Только регулярное обслуживание может обеспечить долгую и эффективную работу вентиляции.
Вопрос 8: Как выбрать оборудование для вентиляции котельной
Выбор оборудования для вентиляции котельной зависит от нескольких факторов. Во-первых, необходимо учитывать мощность котлов и объем помещения. Во-вторых, выбирать оборудование, соответствующее требованиям безопасности и строительным нормам. В-третьих, важно учитывать тип вентиляции — естественную или принудительную. Для принудительной вентиляции необходимо выбрать мощные вентиляторы и воздуховоды. Также стоит обратить внимание на энергоэффективность оборудования и его надежность. После выбора оборудования необходимо провести его установку в соответствии с проектом и инструкциями производителя.
Какие типы вентиляции подходят для котельной
Топочные и котельные можно организовывать в помещениях с высотой потолка от 2 м. Бытовые помещения с газовым оборудованием открытого типа должны иметь хотя бы одно окно площадью от 0,25 м2. В топочных с газо-нагревательным оборудованием с герметичной камерой сгорания это окно может отсутствовать (п. 9.37 СНБ 4.03.01-98).
При выборе места для размещения газовых устройств нужно смотреть на их мощность. От мощности зависит минимально допустимый объем топочной (данные указаны в таблице ниже).
Все основные требования к вытяжным системам отражены в СНиП (II-35-76, 2.04-05). К этим требованиям относятся:
- наличие отдельной воздуховодной трассы в вентиляционной системе;
- герметичность вентиляционных каналов (причем все швы должны быть обработаны герметиками, которые способны сохранять свои изолирующие свойства при высоких температурных значениях);
- конструирование воздушного канала в потолке котельной;
- наличие гильз в стене для размещения самогои осуществления его технического обслуживания;
- размещение очистительного канала на 25-35 см ниже другого;
- использование для отделки пола и стен в помещении только огнестойких и негорючих материалов (для этого можно брать несгораемые плиты с пределом огнестойкости от ¾ часа).
По нормативам к дымоходу можно подключить не более двух газовых приборов. Если на выходе из труб используются горючие материалы, их нужно качественно изолировать. Между внешней стеной и местом окончания дымохода должно оставаться расстояние больше 30 см.
Точная ширина отступки в помещении с установленным газовым оборудованием зависит от толщины стенок дымохода и материала, из которого сделана стена газовой котельной
Труба должна находиться над поверхностью пола внутри помещения на высоте не менее 25-50 см, но нужно смотреть высоту снежного покрова в районе проектирования котельной. Для этого можно применить СНиП 41-01-2003.
В пункте 7.3.2 сказано, что низ отверстия для приемной трубы с внешней стороны здания должен быть размещен на высоте более 1 м от уровня устойчивого снежного покрова, характерного для этого региона по данным гидрометеостанций.
Чистый воздух в котельную может поступать с улицы и из другого помещения через вентиляционную решетку двери или через зазор между полом и дверьми с живым сечением от 0,02 м2(п. 9.38 СНБ 4.03.01-98).
Если площадь сечения решетки будет чрезвычайно маленькой, придется устанавливать приточные вентиляторы, чтобы нормализировать воздухообмен помещения.
Слишком маленькие приточные решетки могут привести к перегреву газовой котельной и поломке автоматизированного оборудования в теплое время года, когда топочная практически не используется
Подача воздуха может производиться и снаружи, и изнутри объекта. Но при этом в качестве смежного помещения не может выступать жилая комната.
Лучше делать два воздуховода, которые выходят по отдельности на улицу: отверстие на потолке в перекрытии с диффузором и решетка для притока у пола. Приточная решетка устанавливается внизу стены или двери и обычно имеет наклонные регулируемые жалюзи, за счет которых дождь и снег не попадают внутрь помещения.
Рядом с решеткой вентиляционной системы в помещении с газовым оборудованием не должны проходить трубы холодного водоснабжения и дренажи. Это может нарушить терморегуляцию комнаты
Частично это требование отражено в п. 8.4.2 СП 31-1-06-2002. В документе говорится о помещении теплогенератора, но оно по техническим характеристикам схоже с газовой котельной, поэтому на этот норматив стоит обратить внимание. В нем указывается то, что для аппаратуры с мощностью от 30 кВт воздух должен подаваться только снаружи.
Воздуховоды, выведенные в дом, опасны: в случае утечки газа вредные вещества могут попасть в жилые помещения, хотя подобная схема вентиляции разрешена нормативами. Но и в том, и в другом случае объем поступающего воздуха должен быть равен объему выходящего. Это условие необходимо для профилактики перепадов давления.
Однако в некоторых случаях допускается организация воздухообмена с преобладанием чистого воздуха в общем балансе. Это характерно дляи топочных, смежных с жилыми помещениями. При этом в газовой котельной нужно создать отрицательный баланс, чтобы предупредить проникновение углекислого газа в другие комнаты.
Как рассчитать необходимую мощность вентиляции для котельной
Организация вентиляции в частном доме под газ в котельной, важным аспектом является выбор между естественной и принудительной системой воздухообмена. Оба этих подхода имеют свои плюсы и минусы, которые следует внимательно анализировать в зависимости от особенностей проекта газификации.
Естественная вентиляция
В газовых котельных с естественной циркуляцией, предназначенных для отопителей мощностью до 30 кВт, вентиляция осуществляется за счет поступления свежего воздуха. Он попадает внутрь через окна, двери и специальные форточки. Выведение отработанного воздуха происходит через вытяжной канал, что обеспечивается разницей давления и температуры между помещением и его окружением.
Преимущества | Недостатки |
Простота конструкции. | Низкая скорость обмена воздухом. |
Не требует электроэнергии. | Зависимость от погоды: при высоком атмосферном давлении на улице тяга может полностью исчезнуть. |
Нуждается в минимальном обслуживании. |
Для улучшения воздухообмена в стене котельной можно сделать отверстие диаметром не менее 100 мм и установить приточный клапан. Установка этого устройства рядом с котлом позволит свежему воздуху поступать в камеру сгорания без необходимости циркуляции в помещении.
Вытяжное отверстие следует располагать в верхней части стены, ближе к потолку. Продукты сгорания легче воздуха, поэтому они поднимутся вверх и выйдут через вентиляционный канал.
Механическая вентиляция
Системы с искусственным побуждением необходимы для котельных, где мощность котла превышает 30 кВт, а также в зданиях, где обеспечить естественный воздухообмен невозможно.
Принудительная вентиляция работает на основе вентиляторов. Эти устройства устанавливаются в приточные и/или вытяжные воздуховоды. Вентиляторы создают искусственную тягу, которая позволяет воздуху свободно циркулировать по всему помещению, независимо от внешних погодных условий. В случае механической вентиляции нет понятия «плохая тяга».
Преимущества | Недостатки |
Высокая эффективность работы в любых условиях. | Для функционирования вентиляторов необходимо подключение к электричеству. |
Возможность добавления дополнительного оборудования, например, фильтров или осушителей. | Оборудование требует регулярного обслуживания. |
Механическая вентиляция для подключения газа в частный дом в котельной с газовым котлом (будь то приточная или вытяжная система) может потребовать более значительных затрат на этапе установки и эксплуатации, однако она обеспечивает более высокую эффективность.
Какие требования к вентиляции котельной по безопасности

Вентиляция в котельной всегда предполагает следование требованиям из инструкций по использованию газовых котлов. Небрежное отношение к ним влечёт за собой ряд трудностей, начиная с проблем с законом и заканчивая повышением риска непредвиденных чрезвычайных ситуаций.
Требования к вентиляции более чем обоснованы, ведь проблема заключается в том, что продукты сгорания опасны не только для собственника котла, но и для окружающих его людей. Именно по этой причине газовые организации внимательно осматривают приборы даже в момент приёма техники.
Если же разрешение на эксплуатацию оборудования в котельных получено не было, то владельцу котла грозит в лучшем случае штраф, а в худшем ̶̶̶ уголовное дело.
Классификация вентиляций
Чаще всего оборудование разделяют на два типа: принудительное и приточное. Кроме того, нередко вентиляцию, сочетающую функции вышеназванных, выделяют в отдельную группу и называют комбинированной.
По наименованиям уже можно догадаться, что приборы принудительной вентиляции обеспечивают воздухообмен в частных домах за счёт технических приборов, в то время как естественная вентиляция использует для подачи воздуха в здание разницу в температурных значениях и давлении пространства. Для вентиляции такого помещения важно лишь точное и продуманное расположение щелей. Учитывайте, что воздух проникает в комнату не только с помощью приточной или же принудительной вентиляции, но и сквозь проходы вроде зазора между дверью и полом.
Лучшим вариантом для частной котельной является установка в помещение такой системы, как комбинированная вентиляция. Она позволяет чередовать работу вышеуказанных систем в частных домах.
Естественная вентиляция
В обычном помещении с высотой потолков менее шести метров для поступления воздуха вполне достаточной будет естественная вентиляция.
Обратите внимание! Необходима установка температурного датчика в обратном коллекторе. Он посылает импульсы на электропривод трехходового клапана. На схеме клапан и температурный датчик расположены в разных концах контура.Стандарты приточного воздухообмена рассчитаны для всех котельных, в том числе и промышленных. Из-за этого за нормальные приняты значения, подходящие для вентиляции нежилых помещений.
При уменьшении высоты потолков котельной в частном доме один метр соответствует 25 процентам проточного воздухооборота. При этом вентиляция всегда должна устанавливаться с определённым запасом.

Сложностью приточная вентиляция, установленная в помещение, не отличается. В дверном проёме или в стене частного строения размещают вентиляционную щель для входа воздуха в помещение с диаметром, пропорциональным уровню мощности котла. Вверху газовых котельных устраивают ещё одну щель для вывода воздуха из комнаты. Очень часто на вентилируемое отверстие прикрепляют прибор, проводящий в помещение воздух, оборудованный клапаном, не позволяющим вытяжке объекта работать в две стороны, и «зонтиком», защищающим вентиляцию с наружной стороны.
Для повышения качества работы воздуховода в здании расстояние между вытяжкой и входным отверстием в помещении должно быть как можно больше, ведь оно отвечает за возникновение тяги.

Минусы приточной вентиляции:
- Важность состояния погоды. Вентиляция котельной будет нуждаться в защите от разрушительного воздействия извне.
- Трудности с точным подсчётом. Направление и сила воздушных потоков в помещении значительно влияют на объёмы поступающего в коттедж воздуха.
- Необходимость сделать вентиляционный выход из каждого помещения. Приточная вентиляция из группы помещений очень сложная, и чаще всего создавать её нецелесообразно.

Вентиляция за счёт механических устройств
Для установки в помещение принудительной вентиляции необходимы специализированные устройства, по-простому называемые вентиляторами.
Такая вентиляция привлекает владельцев газовых котельных такими преимуществами, как:
- появление возможности установки в комнатах приборов (в оснащение входят калориферы и фильтры), предназначенных для очистки и нагрева поступающих в коттедж воздушных потоков;
- экономия электрической энергии, использующейся для вентиляции вашей котельной, возникающая за счёт того, что систему можно включать только тогда, когда это нужно для пространства, к примеру, во время работы нагревающего прибора.
Но есть у вентиляции и недостатки.

В их число входят:
- цены, по очевидным причинам более высокие, чем при организации естественной вентиляции;
- высокий уровень шума, когда эксплуатируется вентиляция;
- необходимость трат времени на специальную подготовку, без которой трудно выбрать подходящее оборудование.

Какие общие ошибки при установке вентиляции в котельной
Добрый день!
В котельной установлен Baxi Slim 1.490 in, по предписанию газовиков сделаны
1. дымоход котла: диаметр как на выходе котла (у меня 160 мм на "грибе"), нержавейка, внутри помещения утеплена (сендвич), снаружи -- нержавейка, вокруг утеплена самостоятельно
2. вентиляция котельной, 125 мм, поднимается в том же кирпичном канале что и дымоход
3. приток: отверстие в стене 100х100 "в смежное помещение" - в гараж, площадь 80 квадратов, на гараж есть вент канал 160 мм, в том же
все 3 вентканала выше поднимаются в кирпичной трубе (каждый канал в своей секции) выше зоны подпора по правилу примыкающего к дому сдания с отдельной кровлей. сверху на кирпичную часть канала поставлен общий зонт.
Дымоход котла работает штатно,
а вот в вентиляции - начало опрокидывать тягу. В прошлом году такого ни разу не замечал, правда и в подобное межсезонье еще не топился, тк газа не было.
иногда, когда котел сильно жжет, прямо видно как в вентиляцию врывается парок.
иногда, когда котел не работает чувствуется поступление холодного воздуха в вентиляцию.
при этом из притока в стене тоже чувствуется, как воздух поступает в котельную
у соседей подсмотрел, что нержавейка от дымохода вынесена выше зонта, планирую так же нарастить свою. это как минимум повлияет на то, что конденсат не будет намерзать зимой прямо на кирпичах дымохода.
так же ожидаю, что вентиляция котельной перестанет засасывать выхлоп от котла обратно.
Как проверить эффективность работы вентиляции
Замеры качества воздуха должны производиться строго в определенных отверстиях. Если место было определено неверно, то появляется погрешность измерений и расчетов. Доверяйте эту работу проверенным специалистам.
В том числе существует метод проверки эффективности вентиляции без использования специальных приборов. Качество работы вентиляционной системы можно проверить при помощи бумажного листа. Бумага должна притягиваться воздухом и сохранять свое положение на вентиляционной решетке.
Помните, что методы проверки вентиляционных систем без использования высокоточных приборов не эффективны, и зачастую показывают ошибочный результат
Если она не падает в течение длительного времени, то работа вентиляции может считаться удовлетворительной. Но такой метод не является эффективным в сравнении с любым инструментальным.
Кроме того, на больших производствах его и другие альтернативные методы проверки вентиляции не используются.
Периодичность проверки вентиляции
Наконец мы подобрались к самому интересному и важному – периодичности проверки вентиляционной системы. Эти сроки варьируются в зависимости от того, с какой целью эксплуатируется помещение.
Регулярные и своевременные обращения для проверки работы вентиляционных систем – залог успешной работы любого предприятия и здоровья его сотрудников
Существуют основополагающие акты, которые определяют периодичность, характер и суть оценки эффективности вентиляционных систем:
- ФЗ №52 – документ, который регламентирует вопросы санитарно-эпидемиологического благополучия граждан;
- ГОСТы – 12.4.021-75 , 12.3.018-79 , 12.1.005-88 . В них определена методика проверок, параметры вентиляционных систем и другие вопросы.
- СНиП и СП, в которых прописаны главные свойства и качество воздуха для различных предприятий — 3.05.01-85 , СП 1.1.1058-01 ;
- рекомендации Р НОСТРОЙ 2.15.3-2011 об испытаниях и наладке вентиляции;
- основополагающие европейские стандарты EN — 15251 и 13779 , в которых указаны нормы воздухообмена и категории аэромасс ;
- межотраслевые ПБ, МУ по контролю производственных систем вентилирования.
Правовые акты, нормы и ГОСТы , которые представлены выше указывают на то, что проверка качества работы вентиляционных систем должна производится с определенной частотой.
Теперь перейдем к конкретным срокам, для кого и какие устанавливаются:
- промышленные сооружения с выделением различных ядовитых, взрывчатых, радиоактивных компонентов должны подвергаться проверке 1 раз в месяц. Это касается зданий, работающих с вредными веществами 1 и 2 класса. В некоторых случаях для таких опасных предприятий устанавливаются отдельные сроки;
- ежегодно должны проводить проверку следующие сооружения: если на предприятии используется оборудование, потребляющее природный газ; предприятия классов А, Б, В, которые используют вентиляционное оборудование; если стены каналов вентиляционного оборудования тонкие и они контактируют с опасными воздушными средами; используется приточно-вытяжная вентиляционная система .
- каждые 3 года необходимо проводить проверку, если в здании применяется естественная и искусственная вентиляционная система.
О важности соблюдения правил регулярной проверки упоминалось в тексте неоднократно. Для длительной эксплуатации здания и качественной работы сотрудников это необходимость.
Но такие сроки установлены для сооружений, при условии, что пусконаладочные и монтажные работы были проведены с соблюдением всех требований и технологий.
Частоту обращений различных организаций можно разглядеть на этом рисунке. Главное, чтобы запросы на проверку эффективности вентиляции происходили регулярно
Если комплекс этих строительных мероприятий был проведен не надлежащим образом, то в течение первого года эксплуатации следует провести проверку раньше, чем в положенный срок.
В ходе работы могла быть нарушена герметичность, в следствие не качественной установки могли случиться повреждения, дефекты. Чтобы избежать аварийной ситуации, в первый год следует провести анализ работы вентиляции заранее и осуществлять контроль за эффективностью вентиляции, чтобы убедиться в качестве ее работы.
Кто выполняет проверку эффективности вентиляции?
К кому обращаться за помощью в проверке эффективности вентиляционной системы написано в нормативно-правовых документах. Давайте разберемся конкретнее, что означают те или иные записи.
Если в нормативных документах отмечено, что проверку осуществляет лицензируемая организация, то потребуется допуск этой организации — это подтверждение о разрешении проведения необходимых работ с соблюдением стандартов.
Если в документах говорится о необходимости аккредитации, то для осуществления проверки вентиляционного оборудования требуется аккредитованная лаборатория
Если определенных указаний нет, то зачастую для многих объектов подходит проведение работ индивидуальным предпринимателем.
Что делать, если вентиляция не работает эффективно
Вытяжная вентиляция естественного характера, или другое название - гравитационная, смонтирована в преобладающем количестве многоэтажных современных помещений, предназначенных для жилья. Поток свежего воздуха проникает в квартиру благодаря отсутствию герметичности между оконной створкой и рамой. После чего он устремляется в коридор через нижние проемы межкомнатных дверей, затем – прямо к вентиляционным решеткам, расположенным в санузле и на кухне. В процессе движения воздушные массы абсорбируют всевозможныевредные летучие вещества и загрязнения.

Причина запотевания окон в квартире - недостаток воздухообмена
Вытяжные каналы естественной вентиляции, в которые попадает загрязненный воздух из квартир, перемещают его на чердак, а оттуда – через сбросные шахты в атмосферу. Такой путь проходит воздушный поток в домах, в которых насчитывается 6 и больше этажей. Если в доме до 5 этажей, то вентиляционные каналы выведены прямо на крышу и закрыты дефлекторами, а поэтому загрязненный воздух попадает сразу в атмосферу.
Вентиляционные каналы устанавливаются во время строительства здания. Собирают их поэтапно при возведении этажей из унифицированных бетонных блоков. Если кухня и санитарный узел находятся отдаленно друг от друга, то для каждой вертикали квартир предусмотрено два вентиляционных канала. Если же санузел и кухня рядом, то монтируется один вентканал.
Чтобы обеспечить надлежащую пожарную защиту и минимальное сопротивление воздуха в вентканалах, преобладающее количество современных жилых домов оснащаются дополнительными воздуховодами – спутниками. Именно через них и попадает загрязненный воздух из квартир в вентиляционные каналы. Спутник берет свое начало за вентрешетками, расположенными на кухне, в туалете, в ванной комнате, а выпуск дополнительного воздуховода соединяется с общедомовым каналом и размещается этажом выше.
Стоит отметить, что работа такой вентиляционной системы не всегда дает нужный результат. Ухудшить ее могут и сами жильцы, когда нарушают целостность вентиляционных каналов, забывая, что делать это категорически запрещается. Таким образом происходит сбой в работе системы естественной вентиляции. А восстановить ее достаточно трудно и дорого.

Варианты размещения приточной установки на фасаде
Современная техническая литература (к примеру, рекомендации ТР АВОК-4–2004) описывает, при помощи каких способов можно организовать эффективную вентиляцию для многоквартирного дома. В данной же статье будут рассмотрены типовые проблемы вентиляции квартиры и предложены несложные в реализации технические решения, которые помогут улучшить обмен воздуха.
Как обеспечить работу вентиляции при различных нагрузках
Расход приточного воздуха для систем с переменным расходом воздуха определяется в зависимости от текущей тепловой нагрузки помещения. Следует иметь в виду, что в проект обычно закладывается постоянное максимальное значение воздухообмена, без учета изменения тепловой нагрузки. Проблема состоит в том, чтобы обеспечить необходимый воздухообмен во всем диапазоне нагрузок без перерасхода энергии. Таким образом, именно принципы регулирования системы вентиляции оказывают существенное влияние как на воздухообмен, так и на энергопотребление. Здесь приводится анализ производительности воздухораспределения системы-VAV при различных способах регулирования для конкретного примера переменной тепловой нагрузки. В результате анализа определяется оптимальный принцип регулирования, надежно обеспечивающий требуемый (но не максимальный) воздухообмен.
Рассмотрим простую систему вентиляции с переменным расходом воздухом (рис. 1). Каждый воздухораспределитель-VAV подобран из условий подачи максимального расхода приточного воздуха, 472 л/с, что соответствует проектной тепловой нагрузке. Нормы расхода наружного воздуха для каждого помещения определяются в соответствии с его размером, типом и назначением и составляют по 94 л/с для двух помещений и 142 л/с для третьего. Суммарный расход наружного воздуха – 330 л/с составляет 23% от расхода приточного воздуха 1 416 л/с. Для обеспечения потребности помещения с максимальной нагрузкой необходимая доля наружного воздуха составляет 30%.
Доля наружного воздуха в приточном одинакова для всех помещений – это означает, что два первых помещения получают больше наружного воздуха, чем необходимо. Избыточное количество наружного воздуха попадает в рециркуляционный поток. В данном случае 23% – усредненное (нескорректированное) соотношение наружного и приточного воздуха.
Стандарт содержит нормативный метод расчета вентиляции нескольких помещений, обслуживаемых общей системой с переменным расходом. В стандарте учитываются типы помещений и эффективность распределения воздуха между помещениями, приводится формула для расчета потребности в наружном воздухе для каждого конкретного режима:
Y=X/, (1)
где:
Z – доля наружного воздуха в приточном воздухе для «критической» зоны, т. е. зоны с наибольшей потребностью в вентиляции (иногда эту величину называют Z-фактор);
X – усредненное значение наружного воздуха в приточном, т. е. сумма минимально необходимого расхода наружного воздуха для всех помещений, отнесенная к общему воздухообмену;
Y – расчетная доля наружного воздуха в общем воздухообмене. Эта величина меньше Z, т. к. подразумевается использование «избыточного» количества наружного воздуха, содержащееся в рециркуляционном воздухе из помещений с меньшей потребностью в вентиляции.
Покажем, как использовать формулу (1) для системы на рис. 1.
Рассчитаем расход наружного воздуха для каждого помещения, при этом максимальное значение принимается как критическое (Z-фактор).
Для рассматриваемого примера:
Z=142/472 л/с=0,3;
X=(94+94+142)/1416 л/с=330/1416 л/с=0,23.
Тогда Y=X/=0,23/=0,23/0,93=0,25.
Это означает, что для рассматриваемого режима 25% приточного воздуха (ПВ) составляет наружный воздух (НВ). Далее определяем, что 25% от 1 416 л/с составляет 354 л/с наружного воздуха – это необходимый объем наружного воздуха для вентиляции помещений в расчетном режиме.
Пример расчета системы на различную нагрузку, приведенный в табл. 1 и 2, послужит основой для нашей оценки различных принципов регулирования вентиляции с позиции энергосбережения.
Можно ли интегрировать вентиляцию котельной с общей вентиляцией дома
Ежедневно получаю от владельцев загородной недвижимости вопросы на тему, какая нужна вентиляция для газового котла в частном доме, чтобы избежать конфликта с представителями инстанций.
Теме обустройства воздухообмена в техническом помещении я решил посвятить отдельную статью, где расскажу о видах, назначении, нормах и требованиях инженерной системы . Дам разъяснения, какие бывают вытяжки для газового котла, как делать расчеты сечения каналов .
В конце статьи пошагово рассмотрим монтаж вентиляции и пусконаладочные работы.
Назначение вентиляции в котельной, нормы и требования
В камере газового котла топливо сгорает при наличии кислорода, а вентиляция обеспечивает его приток с улицы. Отсутствие воздухообмена сказывается на ухудшении горения. Количество кислорода в закрытой котельной быстро уменьшается.
С наступлением дефицита кислорода, газ в топке не полностью сгорает, оседает сажей на стенках дымохода. Ухудшается работа котла, снижается КПД системы отопления.
Отсутствие вентиляции опасно для хозяев частного дома. В котельной становится душно от угара, что способствует отравлению людей. Накопления сажи в дымоходе могут воспламеняться, что приводит к пожару.
На соединениях газопровода часто возникают утечки газа. Если через вентиляцию они не отводятся на улицу, при достижении концентрации 5-15% от объема воздуха образуется взрывоопасная смесь.
Отсутствие вентиляции вызывает удушье от газа и копоти
На вентиляцию, отопление и кондиционирование распространяется СНиП 41-01-2003 и СП 60.13330.2020 . Согласно законодательной документации, газовое оборудование мощностью больше 30 кВт необходимо устанавливать в отдельно обустроенной котельной частного дома.
Спонтанно выбранная любая комната не подойдет. Объем котельной для котла мощностью до 60 кВт должен составлять 13,5 м3. Если мощность отопительного прибора больше 60 кВт, рекомендован объем помещения больше 15 м3.
до 30 кВт разрешено ставить на кухне, но комната должна соответствовать требованиям:
- минимальная площадь – 15 м2;
- соотношение общей площади остекления кухни к стенам – 3 см2/1 м3помещения;
- минимальная высота потолка – 2,2 м;
- наличие фрамуг и форточек на окнах;
- выдержка отступа котла от стены минимум 10 см;
- отделка стен кухни стойкими к возгоранию материалами;
- наличие вытяжки и притока воздуха.
Отдельно предъявляются требования к вентиляции в котельной. За 1 час система должна обеспечить трехкратный естественный воздухообмен.
В СНиП прописаны требования к обустройству вентиляции для отдельной котельной частного дома.
Необходимо:
- установить отдельные от общей системы вентканалы для газового котла, по котором будет поступать и отводиться воздух;
- обеспечить плотность соединений воздуховодов термостойким герметиком;
- врезать проходные гильзы в стены для подвода с улицы труб газопровода к котлу;
- к одному дымоходу подключать не больше двух котлов;
- обеспечить расстояние не меньше 300 мм между окончанием дымохода на улице и плоскостью наружной стены.
Приток воздуха рекомендуется обустроить с улицы. Если планировка котельной не позволяет этого сделать, допускается создание поступления свежих потоков из соседних комнат через щель под дверью.
Однако гостиную запрещено использовать как смежное помещение для получения притока.
Виды вентиляции
Первый вариант наиболее распространен в частном секторе. Естественная вентиляция разрешена для котлов мощностью до 30 кВт.
В инженерной сети воздухообмен выполняется за счет разности температур и давления. Воздушные массы произвольно циркулируют между улицей и помещением через воздуховоды.
В принудительной вентиляции воздушные потоки перемещаются за счет механического принуждения работающими вентиляторами. Инженерная сеть актуальна для большой котельной с мощными котлами.
Ставят механическую вентиляцию для инновационного отопительного оборудования, где использование принудительного вентилирования рекомендовано производителем.
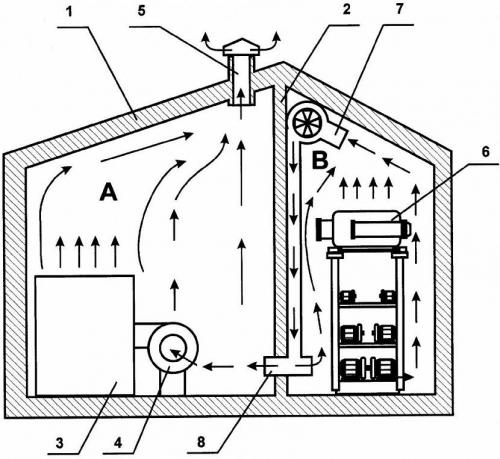
В схеме принудительной системе, где вентиляторы обозначены цифрой 4 и 7
Схема принудительной системы, где вентилятор обозначен цифрой 7
Схема принудительной системы, где вентилятор обозначен цифрой 4
Вытяжка и дымоход для газового котла
На дымоходы и вытяжные каналы распространяется СП 402.1325800.2018. В документе сказано, что они должны изготавливаться из негорючих материалов.
Проходящие через холодные участки здания каналы подлежат утеплению. Недопустимо в обустройстве использовать пористые материалы.
Как минимизировать шум от вентиляции котельной
Добрый день,
проблема стандартная и решение её тоже стандартное, но, к сожалению, не такое, как вы планируете
Наше проектное бюро неоднократно сталкивалось с подобной проблематикой и успешно решало её, если теоретически существовала такая возможность.
Крышная котельная является мощным источником структурного шума, причина которого вибрации, вызываемые работой котлов, магистральных насосов и вентиляционных установок, расположенных в помещении котельной.
Решение простое и сложное одновременно.
Простое,т.к. ясно что надо делать - необходимо виброизолировать все опорные и неопорные связи вибрирующего оборудования и трубопроводов обвязки, а также выполнять конструкцию плавающего пола в помещении котельной.
Сложное, т.к. выполнить это весьма трудоемко и дорого.
Звукоизоляция внутри квартиры не даст ощутимого результата, т.к. каркасные облицовки работают в основном только на средних и высоких частотах, а источник шума в данном случае низкочастотный.
Есть и юридические аспекты.
Согласно действующим строительным нормам ДБН В.1.1-31:2013 «Защита территорий, зданий и сооружений от шума» запрещено располагать технические помещения с шумным оборудованием в непосредственной близости от жилых квартир (через стену или через перекрытие).
Если уровень шума от котельной превышает допустимые нормы согласно СН 3077-84 «Санитарные нормы допустимого шума в помещениях жилых и общественных зданий и на территории жилой застройки», то можно дать делу юридический ход и тогда платить за решение проблемы должен владелец здания или застройщик.
В любом случае рекомендуется провести измерения уровня шума в квартире.