Своими руками котлы отопления. Твердотопливный котел сверхдлительного горения своими руками
- Своими руками котлы отопления. Твердотопливный котел сверхдлительного горения своими руками
- Твердотопливный котел длительного горения своими руками чертежи. Типы пиролизных котлов
- Котел отопления своими руками чертеж. Классический тип агрегата
- Котел из трубы. Каков реальный КПД твердотопливных котлов
- Котел водяного отопления на дровах своими руками. Создаем котел отопления на дровах своими руками
- Видео сделать котел отопления своими руками
Своими руками котлы отопления. Твердотопливный котел сверхдлительного горения своими руками
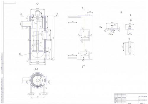
Самодельный отопитель будет иметь такую конструкцию:
- Топка – «коробка» глубиной 460 мм, шириной 360 мм и высотой 750 мм с общим объемом 112 л. Объем топливной загрузки для такой камеры сгорания составляет 83 л (весь объем топки заполнять нельзя), Что позволит котлу развивать мощность до 22 – 24 кВт.
- Днище топки – решетка из уголка, на которую будут укладываться дрова (через нее в камеру будет поступать воздух).
- Под решеткой должен быть отсек высотой 150 мм для сбора золы.
- Теплообменник объемом 50 л большей частью расположен над топкой, но нижняя его часть охватывает ее с 3-х сторон в виде водяной рубашки толщиной 20 мм.
- Подсоединенная к верхней части топки вертикальная дымоотводящая труба и горизонтальные жаровые трубы располагаются внутри теплообменника.
- Топка и зольник закрыты герметичными дверцами, а забор воздуха осуществляется через трубу, в которой установлен вентилятор и гравитационная заслонка. Как только вентилятор выключается, заслонка под собственным весом опускается и полностью перекрывает воздухозаборник. Как только термодатчик зафиксирует снижение температуры теплоносителя до заданного пользователем уровня, контроллер включит вентилятор, поток воздуха откроет заслонку и в топке разгорится огонь. Периодическое «отключение»котла в сочетании с увеличенным объемом топки позволяет продлить работу на одной загрузке топлива до 10 – 12 часов на дровах и до 24-х часов на угле. Хорошо зарекомендовала себя автоматика польской компании KG Elektronik: контроллер с термодатчиком – модель SP-05, вентилятор – модель DP-02.
Твердотопливный котел длительного горения своими руками чертежи. Типы пиролизных котлов
Первый шаг при сборке котла длительного горения своими руками – выбрать тип агрегата, который будет зависеть от подготовки мастера, использовании профессиональных и специальных приспособлений и материалов. Найти чертеж твердотопливного котла длительного горения нетрудно, и за основу можно взять такую схему:
Схема простейшего пиролизного котла
Это самая простая, но надежно работающая схема котла, который использует эффект пиролиза. Какие конструкции нагревательных котлов пиролизного горения еще существуют, и чем они отличаются друг от друга? Основная разница – как конструктивно будет оформлено направление сгорания твердого топлива:
- Аппарат с нижним горением – топливо нужно поджигать снизу. Это традиционная схема работы большинства пиролизных приборов. Такие агрегаты делятся на два подвида:
- Со стандартной схемой горения, при которой уголь, торф или опилки загораются и горят в одной камере сгорания, работающей одновременно и как загрузочная (закладочная) камера, и топливник. Отработанные газы и дым выводятся через дымоход в верхнем отделении топливника;
- Котел шахтной конструкции – шахта для закладки топлива выполняет только свои функции. Топливо загорается снизу, огонь и горячие продукты сгорания топлива движутся через теплообменник, обустроенный в соседней камере;
- Аппараты с верхним горением топлива работают наоборот – горючий материал поджигается сверху, и идет долгий процесс горения, направленный сверху вниз под действием принудительного наддува.
Принципиальная схема пиролизного котла
По типу сгорания топлива агрегаты делятся на:
- Котлы со стандартным типом сжигания;
- Агрегаты с газогенераторным или пиролизным сгоранием – топливо сгорает при высоких температурах в камере и при недостатке кислорода. При этом выделяется древесный газ, называемый пиролизным, который также сгорает в процессе его вывода из котла.
Также котлы, работающие на твердом топливе, могут иметь различные схемы и конструкции теплообменников. Сам теплообменник может быть выполнен в виде змеевика, опоясывающего топливную камеру и трубы, или в виде сплошной металлической рубашки, которая закрывает топливник со всех сторон.
Котел отопления своими руками чертеж. Классический тип агрегата
Такой вид применяется с использованием принудительного наддува, необходимого для избежания режима тления и для экономичного сжигания твёрдого топлива.

Принцип работы такой :
- 1. В топливник, объём которого 112 литров закладываются и поджигаются дрова. После этого закрываются плотно все дверцы, и при помощи автоматики запускается вентилятор, нагнетающий воздух.
- 2. Как только температура достигла заданного показателя, происходит остановка вентилятора и переход котла в режим ожидания. По каналу, закрытому гравитационной заслонкой, поступает воздух в очень малом количестве, чтобы дрова не потухли.
- 3. Когда температурным датчиком определится остывание теплоносителя в ёмкости котла, вентилятор автоматически включится, и процесс повторится.
При помощи автоматики осуществляются несколько режимов нагнетания воздуха в соответствии с используемой разной по качеству и влажности древесины. Стандартный тип котла имеет такие технические характеристики :
- номинальная мощность — 22 кВт;
- эффективность — 77%;
- максимальное рабочее давление — 3 бар;
- глубина топливника — 460 мм;
- размер проёма, куда закладываются дрова — 36 на 25 см;
- объём камеры — 112 л;
- продолжительность горения на дровяном топливе — примерно 8 часов.
Котёл отличается простым устройством: вытянутой в высоту топкой, оснащённой внизу колосниками, а вверху — теплообменником, состоящим из 4 труб и помещённым внутрь бака. Нагнетаемый воздух поступает в зольную камеру по каналу из профиля 60 на 40 мм. Для ограждения от попадания грязи и пыли автоматический блок и вентилятор располагаются сверху котла.
Котел из трубы. Каков реальный КПД твердотопливных котлов
Производители отопительного оборудования, в частности твердотопливных котлов, предлагают большой ассортимент продукции с различными характеристиками.
Исходя из конструкции котла на твердом топливе, все изделия можно разделить на такие группы:
- традиционные отопительные агрегаты;
- дровяные котлы с пиролизным типом горения (газогенераторные);
- длительного горения;
- пеллетные.
Традиционный котел на твердом топливе, самодельный в том числе, по внешнему виду напоминает печь или буржуйку с самыми необходимыми элементами – топочной камерой, дверцей, зольником и дымоходом. С помощью зольника можно регулировать тягу, открывая и закрывая заслонку. Такие конструкции считаются достаточно надежными, поскольку в них нет никаких технологичных элементов, например термодатчиков или градусников, автоматического блока управления или электроники. В данном случае основным элементом конструкции твердотопливного котла является теплообменник, передающий тепловую энергию теплоносителю. Теплообменник бывает трубчатым или изготавливается в виде емкости из сплошных стальных листов.

Есть, однако, и более сложные устройства, которые тоже можно отнести к традиционным. Они оснащены перегородками и дроссельными заслонками, чтобы тягу было удобнее регулировать, а горячий воздух проходил большее расстояние до момента выхода в дымовую трубу. Такие перегородки существенно увеличивают КПД котла, поскольку больше тепловой энергии передается теплоносителю, а не просто «вылетает в трубу». Нужно понимать, что КПД котла это очень важный показатель.
Для подобных котлов можно использовать практически любое топливо – дрова, уголь, пеллеты и даже мусор. Главное, чтобы оно было как можно суше. С точки зрения производительности котлы простых конструкций едва ли могут претендовать на 50 % КПД, а в большинстве случаев он составляет всего лишь 15-20 %. Проблема заключается в том, что топливо слишком быстро сгорает, не успевая передать всю тепловую энергию воде в теплообменнике. В результате, большее количество тепла просто выводится в дымоход или его избыток заставляет теплоноситель закипать. Например, дрова нужно добавлять в топку каждый час, а угля хватит на 2-4 часа, но все равно он сгорает с избытком энергии и большими теплопотерями.
Более экономными и производительными являются современные котлы с перегородками и дроссельными заслонками. В них температуру сгорания топлива можно регулировать, а одной загрузки топлива хватает на 8-12 часов. Поэтому КПД таких установок нередко достигает 80 %.
Котел водяного отопления на дровах своими руками. Создаем котел отопления на дровах своими руками
Иногда подобные устройства ничем не уступают промышленным моделям – как по показателям эффективности, так и по параметрам мощности. В домашних условиях при соблюдении определенных правил и обладая нужным опытом и знаниями, можно изготовить водяной котел отопления на дровах сложнейшей конструкции, который по своим рабочим характеристикам способен превзойти и устройство, собранное в заводских условиях.
Изготовление котла также будет зависеть и от того, насколько точно будут произведены расчеты.
Для того чтобы изготовить проточный котел отопления на дровах, потребуются такие материалы, которые несложно достать, и которые нередко находятся у владельцев частных домов под руками. Особое внимание необходимо уделить таким моментам, как расчет рабочей температуры котла, толщина метала и другим. Если металл будет слишком тонким или рабочая температура котла будет чрезмерно высокой, то металл может выгореть.

Чертеж самодельного котла на твердом топливе
Самодельный котел для водяного отопления на дровах можно изготовить и из старых или списанных котлов, которые ранее использовались в котельной или в паровозах. Таким образом, вы получите устройство, которое уже соответствует многим заданным условиям. Отопительный котел водяного отопления своими руками можно изготовить и из такого устройства, как готовая печь на дровах. Можно пройтись по пунктам, где принимают металлолом, по ближайшим свалкам, и получить котел за небольшую сумму или совершенно бесплатно. Самодельные котлы водяного отопления обойдутся тогда во много раз дешевле, чем котел, собранный на заводе.