Правильное подключение системы отопления к котлу. Этап первый: монтаж котла
- Правильное подключение системы отопления к котлу. Этап первый: монтаж котла
- Как подключить котел отопления. Этапы подключения газовых котлов
- Подключение газового котла к электрической сети. Основные правила электрического подключения котла
- Подключение одноконтурного газового котла. Схемы подключения газовых котлов
- Подключение твердотопливного котла в существующую систему отопления. Требования к подключению и установке котла
- Видео как подключить котел отопления схема поключения
Правильное подключение системы отопления к котлу. Этап первый: монтаж котла
Установка газового прибора, как правило, не вызывает сложностей. Это самый простой этап монтажных работ отопительной системы. Производителями разработано подробное руководство по установке каждого вида котла.
Напольный поставить проще, несмотря на то, что тяжелее по весу и больше размером. Для настенного нужны специальные кронштейны. Они идут в комплекте к прибору. Схема подключения настенного котла к системе отопления указана в инструкции к прибору. Самое важное — выбрать правильно место установки котла, при этом предусмотреть, как будет выполнен подвод труб к котлу.
Выбирая местоположение агрегата, учитывают не только удобство в обслуживании. Нужно соблюдать нормы и требования, которые предъявляются к газовым приборам. Их выполнение является гарантом эффективности и безопасности пользования отопительным агрегатом.

Два основных правила, которые нужно соблюдать:
- Помещение, где будет установлен котёл, нужно обеспечить окном, либо форточкой, которые можно легко открыть при необходимости.
- Рядом с газовым агрегатом нельзя размещать каких-либо приборов или предметов.
Схема подключения напольного котла предусматривает тщательную подготовку основания. Настенный котёл располагают на высоте от 80 см от пола, не ближе полуметра от стен. Это стандартные требования безопасности эксплуатации.
Совет. Настенные газовые агрегаты удобнее крепить с помощником, чтобы не допустить перекосов и облегчить монтажные работы.
Чтобы знать, как правильно подключить двухконтурный котёл, нужно познакомиться с условиями, которые требуются для устройства дымохода и системы вентиляции.
Очень упрощают задачу турбо котлы, которые не требуют установки громоздких дымоходов и вытяжных систем. Этот вид котлов сегодня приобретает всё большую популярность. Особенность турбо котлов заключается в устройстве принудительного вывода отработанных газов и одновременного притока уличного воздуха, по типу «труба в трубе». Это наиболее безопасная система, так как позволяет ставить газовые агрегаты практически в любых помещениях.

Есть ещё один вид: напольные парапетные котлы. Это бездымоходные энергонезависимые агрегаты. Их используют там, где невозможно соорудить большой дымоход. У парапетных котлов закрытая камера сгорания, она полностью изолируется от помещения. У таких котлов циркуляция теплоносителя происходит самотёком, без электрического насоса. Это их основное отличие от турбированных котлов с коаксиальным дымоходом.
Как подключить котел отопления. Этапы подключения газовых котлов
Схема подключения газового котла к системе отопления довольно сложная, трудоёмкая и предполагает определённых знаний и опыта. Газовые котлы с каждым поколением становятся всё более высокоэффективными, безопасными, автоматика и регулировка усложняется. Большое распространение нашли универсальные котлы, которые не только отапливают помещение, но и греют воду.
Изготовители разрабатывают памятки и инструкции, где объясняют, как правильно выполнить подключение двухконтурного газового котла к системе отопления. Несмотря на сложности, разобраться с этапами монтажа можно самостоятельно. Это гораздо экономически выгоднее, ведь монтажные работы стоят очень не дешево.
Чтобы разобраться, как подключить газовый котел, следует разбить все действия на несколько этапов:
- монтаж агрегата (или крепление на стену, если это настенный вариант);
- работы по подсоединению водяного отопительного контура;
- подключение к водоснабжению (двухконтурных отопительных агрегатов);
- подключение к газопроводу;
- пусконаладочные работы.
Чтобы работа котла была безопасной и эффективной, нужно разобраться в особенностях каждого этапа.

Перед тем, как начать монтаж, нужно приобрести все необходимые расходные материалы, определиться, какими трубами подключать газовый котел и выяснить, к какому типу он относится:
- Одноконтурный котёл. Имеет один теплообменник и предназначен только для отопления.
- Двухконтурный котёл. Обслуживает два теплообменника: в одном циркулирует теплоноситель для водяного отопительного контура, второй предназначен для решения проблемы горячего водоснабжения. В летний период основной контур отключают. Подключение двухконтурного котла своими руками требует внимательности.
Системы отопления тоже бывают разными: закрытого или открытого типов. Теплоноситель может циркулировать принудительно либо самотёком. Однако принципы подключения котлов к отопительным системам одинаковые.

Очень простые в монтаже настенные газовые аппараты. Они небольшие по размерам и идут полностью со всей необходимой комплектацией, которые впоследствии понадобятся при монтаже. Для безопасной эксплуатации многие современные газовые агрегаты оснащаются специальными датчиками, которые сигнализируют о неполадках в системе. Это позволяет вовремя устранить небольшие поломки и этим избежать серьёзного и затратного ремонта всей системы. Поэтому котлы, которые с первого взгляда кажутся сложными в обслуживании, на самом деле, значительно экономят средства на их ремонте.
Подключение газового котла к электрической сети. Основные правила электрического подключения котла
Основными документами, регламентирующими подключение котлов к электрической сети являются:
- ПУЭ «Правила устройства электроустановок»
- НПАОП 40.1-1.32 «Правила устройства электроустановок. Электрооборудование специальных установок »
- инструкция производителя
Нормативные документы довольно емкие. Вы можете их скачать или посмотреть в формате PDF по ссылкам выше. Основные требования к характеристикам в электрической сети следующие:
- напряжение электроприемников в пределах 230 В ± 10%;
- частота должна составлять 50 (+ 0,5 / -1) Гц.
Электроснабжение газовых котлов должно выполняться от сети с глухозаземленной нейтралью с системой заземления TN-S или TN-CS (соглано требования НПАОП 40.1-1.32, пункт 2.3.1). Как указано в п. 2.5.5, подключение к котельному оборудованию выполняется трехпроводным кабелем: L - фаза, N - нейтраль ( «ноль»), PE - защитный ( «земля»).
Для обеспечения безаварийной работы газовых котлов в части электроснабжения нужно предусмотреть следующие меры:
- установка на вводных металлических трубах (газ, вода) изолирующих соединений;
- устройство системы уравнивания потенциалов (ССП) в соответствии с ПУЭ, п. 1.7.84;
- установка защиты от перенапряжений (молнии, переключение мощных нагрузок в сети) и реле (НПАОП 40.1-1.32, п. 2.3.8 и 2.4.1). Летом учащается количество выходов из строя электроплат котла. Грозы с молниями, интенсивное строительство с подключением мощного сварочного и электроинструмента. Все это порождает в сети мощные импульсы, с которыми штатная защита электроплаты газового котла справиться уже не в состоянии. Сильный ветер, вызывающий перекрещивание и закорачивание провислых проводов может вывести котело из строя.
- установка стабилизатор напряжения перед котлом или общедомового. Важно понимать, что наличие стабилизатора это только дополнительная защита от проблем с напряжением в сети. Требования норм ПУЭ, НПАОП, инструкций производителя должны быть соблюдены.;
- для защиты от перерывов в энергоснабжении рекомендуется установка гелевых (мультигелевых) аккумуляторных батарей , источников бесперебойного питания (ИБП), бензо- или дизель-генераторов. Резервные источники питания должны удовлетворять таким требованиям:
- P ≥ 300 Вт,
- фиксированный «ноль»;
- форма кривой напряжения - правильная синусоида
- частота 50 Гц.
Подключение одноконтурного газового котла. Схемы подключения газовых котлов
Схема отличается у одноконтурных и двухконтурных котлов.
Одноконтурные

Такой прибор имеет один теплообменник, использующийся для нагрева теплоносителя.
С его помощью невозможно подготовить воду для горячего водоснабжения (бытовых нужд). Они предназначены только для обогрева жилого помещения.
Агрегаты различаются на настенные и напольные по принципу установки. Разница заключается в мощности.
У первых она ограничена — 100 кВт , для напольных лимита практически не существует.
Настенные
- Прикрепление производится с помощью специальных кронштейнов.
Важно! Обязательно должен быть зазор между агрегатом и стеной размером от 30 до 50 см.
- Проверка наличия тяги в выходном патрубке агрегата проводится перед тем, как соединить с дымоходом. Диаметр входного отверстия должен соответствовать диаметру трубы у дымоотвода. Соединения должны быть герметичными.
- Для предотвращения засора теплообменника на патрубке котла устанавливается система смягчения воды.
- Перед подключением к системе отопления необходима опрессовка агрегата.
- При помощи гибкого шланга и паронитовых прокладок происходит подсоединение к газовой магистрали.

Фото 1. Схема подключения одноконтурного настенного котла к системе отопления с циркуляционным насосом и водонагревателем.
Напольные
- Установка прибора происходит на специально подготовленное и расчищенное место.
- Проделывается отверстие для дымохода (если его нет) и проверяется совпадение размеров диаметров обоих выходов (как дымоотвода, так и дымохода).
- Устанавливается фильтр для смягчения воды.
- Котёл присоединяется к отопительной системе и газовой магистрали.
Внимание! Из-за возможной опасности работ подключение настенных и напольных агрегатов к газовой магистрали рекомендуется поручить специалисту.
Герметичность соединений актуальна для обоих видов устройств.
Двухконтурные
Двухконтурные приборы отличаются присутствием 2 магистралей. Вторая линия предназначена для обогрева воды для бытовых нужд, что позволяет отказаться от использования бойлера.
Настенные
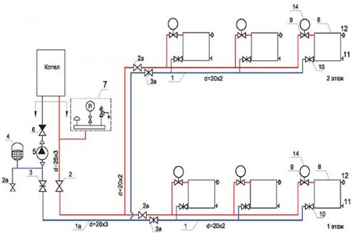
Схема подключения настенных двухконтурных котлов не сильно отличается от одноконтурных. Однако здесь происходит подсоединение уже четырёх (а не двух) патрубков , пара из которых задействована для обогрева воды на хознужды.

Фото 2. Схема подключения настенного двухконтурного котла отопительной системы для частного двухэтажного дома.
Напольные
Подключение напольного двухконтурного типа аналогично одноконтурному, опять же учитывая наличие и подключение второй пары патрубков.
Подключение твердотопливного котла в существующую систему отопления. Требования к подключению и установке котла
Прежде чем рассматривать этот вопрос, выясним, какие виды источников тепловой энергии работают на твердом топливе.
Классические твердотопливные котлы
Они бывают только напольного типа, одно- или двух контурными. Теплогенератор с одним контуром работает только для отопления помещения. Двухконтурный — еще снабжает дом горячей водой. Чаще всего производятся из стали или чугуна. Чугунные дольше держат тепло, но очень тяжелые, требуют усиленного фундамента. Стальные — дешевле, проще в эксплуатации, но чаще всего на стальных теплообменниках появляется накипь. В качестве теплоносителя чаще всего используется вода, иногда антифриз.
- уголь;
- опилки, щепки;
- брикеты, прессованные из угля;
- торфяные брикеты;
- пеллеты — прессованные гранулы из отходов деревообрабатывающих производств: стружек, опилок, щепок.

Преимущества этих агрегатов:
Отрицательные качества:
- быстрое сгорание топлива, и, как следствие, необходимо постоянно подкладывать его в агрегат;
- низкий КПД (коэффициент полезного действия) — сгорает много топлива;
- очень часто нужно чистить агрегат;
- процесс горения необходимо постоянно контролировать.

Пиролизные котлы на твердом топливе
Современный усовершенствованный агрегат, который состоит из двух камер: в первичной камере дрова горят очень медленно, почти тлеют, при этом выделяя горючие газы, которые сгорают во второй камере.
Отличительные достоинства:
- большая экономия топлива: при малой загрузке выделяется больше тепла;
- высокий КПД теплогенератора, до 80 % — дрова сгорают почти полностью;
- контроль топлива — 1-2 раза в сутки;
- автоматика и соответствующее оборудование контролируют работу агрегата.
Недостатки:
- зависимость от электроэнергии — вся аппаратура работает от электросети;
- высокая цена — зависит от мощности, чем больше отапливаемая площадь, тем дороже теплогенератор;
- большие габариты агрегата требуют большую котельную.

Пеллетные обогреватели
Эти агрегаты состоят из котла, форсунки, бункера с пеллетами и шнеком, который подает топливо в теплогенератор.
Преимущества:
- конденсата в источнике тепла не бывает, так как топливо при помощи шнека постоянно подается в агрегат и сгорает почти полностью;
- агрегат может работать до 8 часов без присутствия человека;
- пожаро- и взрывобезопасен: горелка тухнет сразу, как только топливо перестает поступать в агрегат;
- пеллеты стоят сравнительно дешево;
- высокий КПД котла, до 85 %;
- отходы горения прекрасно применяются в виде удобрения для приусадебного участка.
Цена теплогенератора — вот с чем сталкивается потребитель: она достаточно высока.
Но со временем понесенные расходы оправдают эти затраты.
Такого же типа агрегаты работают на угольных пеллетах, но у них другой тип форсунки — ретортный.

Для того чтобы вся схема отопления в частном доме хорошо работала, необходимо правильно установить и подключить твердотопливный котел. Официального разрешения не требуется, документацию оформлять тоже не нужно, но при установке необходимо соблюдать СНиП 42-01-2002 (Строительные нормы и Правила), утвержденные Госгортехнадзором России.
Рассмотрим основные моменты установки теплогенератора:
- отопительный агрегат и первоначальный запас топлива размещают в специальном помещении — котельной, площадь которой должна быть не менее 7 кв. м;
- стену около источника тепла необходимо заизолировать несгораемым покрытием толщиной 8 мм;
- расстояние от поверхности агрегата до потолка должно быть не менее 120 см;
- под основание теплогенератора обязательно залить фундамент, выступающий за контуры агрегата минимум на 25 см, толщиной 7-10 см;
- источник тепла расположить на расстоянии не менее 0,5 м от стены;
- полы по возможности забетонировать и положить плитку;
- в котельной для проветривания помещения обязательно проектируют оконный проем;
- определиться с размерами и видом дымохода;
- оборудовать приточную вентиляцию.
При подключении источника отопления и для более его эффективной работы предлагается обратить особое внимание на следующие моменты.
Требуется:
- для предотвращения образования конденсата необходимо следить, чтобы разность температур теплоносителя на входе в котел и на выходе из него колебалась в пределах 20 градусов;
- установить датчики для измерения давления в системе;
- перед началом работы отопления проверить на герметичность все точки соединения труб;
- в одноэтажных домах с небольшой площадью лучше применять схему с естественной циркуляцией.
Специальные требования установки и подключения агрегата нагревания изложены в соответствующих документах приобретенного топливного агрегата.
